联系电话:
0551-63495066
对夹中线蝶阀
技术参数
产品型号:d371x
适用压力:pn1.0~1 .6mpa
适用规格:dn50~1200
适用温度:-10℃~150℃
阀体材质:铸铁、球墨铸铁、碳钢、不锈钢、铝青铜
产品详情
产品结构特征
1、减小转动力矩,支撑阀杆,并使其与阀体有效分离,减小阀杆的磨损。
2、经过抛光处理,与阀座精密配合。
3、实现气密性试验零泄漏要求,启闭力矩小,延长阀座使用寿命。
4、阀杆密封不易变形,从而避免了通常的阀杆泄漏现象。
5、精度高,强度大,适用于手柄及其它控制装置的安装。
6、牢固连接阀杆与阀板,具有防振脱特点,且易于更换。
7、整体性好,便于控制阀板启闭。
8、具有不脱落、抗拉、防泄漏、更换方便等特点。
9、作为管路中调节或截断介质的设备。
10、适用于手柄控制装置(dn50~300),蜗轮蜗杆、电动及气动控制装置。

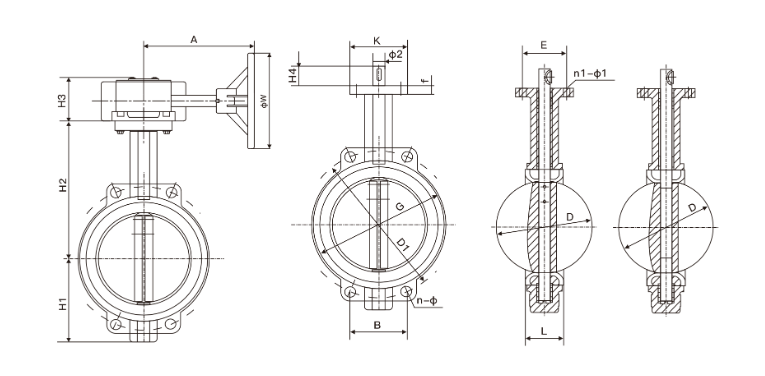
主要外形尺寸及重量(pn1.0/1.6mpa)
| dn(mm) | a | b | l | d1 | h4 | n-φ | k | e | 4-φ1 | φ2 | g | 重量wt(kg) |
| 50 | 140 | 80 | 43 | 125 | 32 | 4-19 | 77 | 57.15 | 4-6.7 | 12.6 | 100 | 3.34 |
| 65 | 152 | 89 | 46 | 145 | 32 | 4-19 | 77 | 57.15 | 4-6.7 | 12.6 | 120 | 3.94 |
| 80 | 159 | 95 | 45.21 | 160 | 32 | 8-19 | 77 | 57.15 | 4-6.7 | 12.6 | 127 | 4.05 |
| 100 | 178 | 114 | 52.07 | 180 | 32 | 8-19 | 92 | 69.85 | 4-10.3 | 15.77 | 156 | 5.48 |
| 125 | 190 | 127 | 55.5 | 210 | 32 | 8-19 | 92 | 69.85 | 4-10.3 | 18.92 | 190 | 7.66 |
| 150 | 203 | 139 | 55.75 | 240 | 32 | 8-23 | 92 | 69.85 | 4-10.3 | 18.92 | 212 | 8.5 |
| 200 | 238 | 175 | 60.58 | 295 | 45 | 8-23 | 115 | 88.9 | 4-14.3 | 22.1 | 268 | 25 |
| 250 | 268 | 203 | 68 | 350 | 45 | 12-23 | 115 | 88.9 | 4-14.3 | 28.45 | 325 | 31.4 |
| 300 | 306 | 242 | 76.9 | 400 | 45 | 12-23 | 140 | 107.95 | 4-14.3 | 31.6 | 403 | 45.9 |
| 350 | 368 | 267 | 76.17 | 460 | 45 | 16-23 | 140 | 107.95 | 4-14.3 | 31.6 | 436 | 54 |