联系电话:
0551-63495066
软密封双偏心蝶阀
技术参数
产品型号:d342x
公称通径:dn50~3000mm
公称压力:pn0.6~1.6mpa
适用温度:0-80℃
适用介质:水、蒸气、油品等
产品结构特征
1、双偏心结构设计,避免了密封连接面的磨损,维护密封的完整和高使用寿命。
2、宽角阀座设计避免了阀座和阀瓣接触过紧的挤压损坏.提供更长的使用寿命。
3、两段式高强度阀杆结构,确保维修方便,双偏心结构使得在线维护阀座和阀瓣变得容易迅速。
4、流线型球面阀瓣,具有很高的流量系数。
5、内部阀杆/阀瓣驱动,避免了销钉或螺栓安装可能产生更多泄漏途径。
6、柔性固定环在阀瓣上提供补偿性阀座密封压力,不仅结构简单重量轻、而且驱动力矩小,操作简便、迅速,具有良好的流量调节功能和关闭密封特性。
7、阀杆密封通过高效ptfe。

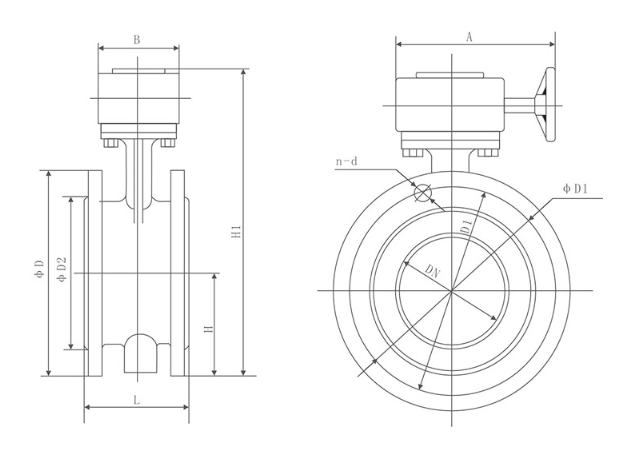
主要外形连接尺寸
公称通径 dn | 主要外形尺寸 | 法兰尺寸和螺栓孔尺寸 | |||||||||||
l | h | h1 | a | b | 1.0mpa | 1.6mpa | |||||||
d | d1 | d2 | n-d | d | d1 | d2 | n-d | ||||||
50 | 108 | 82.5 | 306 | 80 | 80 | 165 | 125 | 99 | 4-18 | 165 | 125 | 99 | 4-18 |
65 | 112 | 92.5 | 321 | 80 | 80 | 185 | 145 | 118 | 4-18 | 185 | 145 | 118 | 4-18 |
80 | 114 | 100 | 346 | 80 | 80 | 200 | 160 | 132 | 8-18 | 200 | 160 | 132 | 8-18 |
100 | 127 | 110 | 387 | 95 | 95 | 220 | 180 | 156 | 8-18 | 220 | 180 | 156 | 8-18 |
125 | 140 | 125 | 411 | 95 | 95 | 250 | 210 | 184 | 8-18 | 250 | 210 | 184 | 8-18 |
150 | 140 | 142.5 | 447 | 95 | 95 | 285 | 240 | 211 | 8-22 | 285 | 240 | 211 | 8-22 |
200 | 152 | 170 | 607 | 190 | 308 | 340 | 295 | 266 | 8-22 | 340 | 295 | 266 | 12-22 |
250 | 165 | 192.5 | 688 | 190 | 308 | 395 | 350 | 319 | 12-22 | 405 | 355 | 319 | 12-26 |
300 | 178 | 222.5 | 742 | 190 | 308 | 445 | 400 | 370 | 12-22 | 460 | 410 | 370 | 12-26 |
350 | 190 | 252.5 | 797 | 190 | 308 | 505 | 460 | 429 | 16-22 | 520 | 470 | 429 | 16-26 |
400 | 216 | 282.5 | 930 | 270 | 466 | 565 | 515 | 480 | 16-26 | 580 | 525 | 480 | 16-30 |
450 | 222 | 307.5 | 975 | 270 | 466 | 615 | 565 | 530 | 20-26 | 640 | 585 | 548 | 20-30 |
500 | 229 | 335 | 1065 | 270 | 466 | 670 | 620 | 582 | 20-26 | 715 | 650 | 609 | 20-33 |
600 | 267 | 390 | 1225 | 457 | 625 | 780 | 725 | 682 | 20-30 | 840 | 770 | 720 | 20-36 |
700 | 292 | 447.5 | 1343 | 457 | 625 | 895 | 840 | 794 | 24-30 | 910 | 840 | 794 | 24-36 |
800 | 318 | 507.5 | 1436 | 457 | 625 | 1015 | 950 | 901 | 24-33 | 1025 | 950 | 901 | 24-39 |
900 | 330 | 557.5 | 1616 | 598 | 853 | 1115 | 1050 | 1001 | 28-33 | 1125 | 1050 | 1001 | 28-39 |
1000 | 410 | 615 | 1711 | 598 | 853 | 1230 | 1160 | 1112 | 28-36 | 1255 | 1170 | 1112 | 28-42 |
1200 | 470 | 727.5 | 1971 | 598 | 853 | 1455 | 1380 | 1328 | 32-39 | 1485 | 1390 | 1328 | 32-48 |
1400 | 530 | 837.5 | 2218 | 860 | 1345 | 1675 | 1590 | 1530 | 36-42 | 1685 | 1590 | 1530 | 36-48 |
1600 | 600 | 957.5 | 2578 | 860 | 1345 | 1915 | 1820 | 1750 | 40-48 | 1930 | 1820 | 1750 | 40-56 |
1800 | 670 | 1057.5 | 2689 | 860 | 1345 | 2115 | 2020 | 1950 | 44-48 | 2130 | 2020 | 1950 | 44-56 |
2000 | 760 | 1162.5 | 3022 | 952 | 1592 | 2325 | 2230 | 2150 | 48-48 | 2345 | 2230 | 2150 | 48-62 |